当前位置:首页>技术应用

改善下缸体压铸件缩孔的模具优化设计

侯丽彬 发表于2024/4/8 9:27:48 下缸体压铸件成因分析优化设计
分享:

原标题:改善下缸体压铸件缩孔缺陷的模具优化设计

摘要介绍了一款铝合金下缸体压铸件的结构特点及缺陷形式,运用“鱼骨图”对下缸体局部缩孔缺陷进行分析。采用局部挤压技术对铸件局部厚大处进行增压补缩,同时加大缺陷部位的型腔冷却,采用“分水盘”结构改变冷却水道进出口位置,避免与挤压油缸的干涉。通过以上措施有效地提高了下缸体的内部和外观质量,大幅提高产品的合格率。

随着汽车轻量化和节能减排的需要,汽车发动机的核心零件缸体和下缸体也逐渐开始采用铝合金代替铸铁材料,通过高压铸造实现产品的大批量生产。但在产品的结构设计上,因功能需要常常会出现局部壁厚厚大区域,在压铸过程中由于铸件壁厚不均匀,厚壁处凝固收缩时间差异大,容易发生缩孔、缩松缺陷,导致泄漏。

本课题研究的下缸体外轮廓尺寸415 mm×325 mm×112 mm,质量6.1 kg。材料为铝合金ADC12,执行标准为:JIS H 5302—2006。ADC12是一种铝硅合金,因其具有良好的流动性、抗热裂性以及很好的气密性,是压铸缸体、缸盖常采用的材料。铸件密封性能要求整个腔体在19.6 kPa压力下泄漏量小于15 cm³ /min,高压油道在343.2 kPa压力下泄漏量小于3 cm³ /min。

1、下缸体压铸件结构特点及缺陷形式

缸体是汽车发动机的主要组成部件,通过缸体将发动机曲轴连杆机构及供油、润滑、冷却等机构联结成为一个整体,其质量直接影响发动机的性能。下缸体是两体式缸体的下部零件,其产品结构及形状如图1所示,由于下缸体的功用决定了其铸件结构的复杂性,上面与上缸体连接,下面安装油底壳,在安装油底壳平面的一侧设计机油滤清器安装孔,同时实现机油滤清器支架的功能。下缸体的整体结构呈箱形,壁厚不均,主要壁厚3.5 mm,中间有五处宽度20~22 mm安装曲轴的横梁,侧向安装机油滤清器孔区域,壁厚不均,内部布置高压油道。铸件的整体结构呈区域分布,中间镂空部位多,同时壁厚严重不均匀导致压铸件的开发难度较大。

图1 下缸体形状及缺陷位置

在新产品试制过程中,铸件加工后进行密封测试,发现在下缸体侧面安装机油滤清器处的高压油道在343.2 kPa压力下泄漏率高达30%,高压油道的形状及尺寸如图1c所示,机油滤清器安装螺纹孔M20 mm×1.5 mm及螺纹底孔为加工孔,侧向Φ15 mm孔位非加工孔。对泄漏零件缺陷部位进行剖切检查,发现在机油滤清器安装孔区域有不同程度的缩孔和缩松,最大缩孔5 mm×2 mm;观察缺陷部位外观,发现在M20 mm孔与Φ54 mm尺寸中间的异形区域,外表面有不同程度的粘料,由此判断高压油道泄漏的原因是铸件局部有严重的缩孔,加工后缩孔与油道孔贯穿,同时由于铸件表面粘料而将表层致密层破坏,从而导致高压油道泄漏。

2、机油滤清器安装孔处缩孔成因分析

2.1 缩孔产生原因

铸件在凝固过程中,由于合金的液态收缩和凝固收缩,往往在铸件最后凝固的部位出现孔洞成为缩孔,缩孔的形状不规则,表面不光滑,色泽偏暗,大小不一,有独立存在的缩孔,也有多个细小而分散的小缩孔。针对铝合金压铸件缩孔缺陷产生的原因,从压铸合金、压铸模具、压铸机、压铸工艺、压铸件结构等方面,利用鱼骨图进行缺陷原因分析,如图2所示。



图2 缩孔缺陷鱼骨图

2.2 下缸体缩孔成因分析

根据上述缩孔缺陷产生的鱼骨图,利用UG设计软件、AnyCasting数值模拟分析软件对产品结构及模具设计进行分析,借助压铸机实时控制系统及红外线成像仪对制造过程进行分析,经过逐项分析和排查,最终确定下缸体机油滤清器安装孔区域的缩孔产生原因如下。

2.2.1 铸件局部壁厚过厚

下缸体机油滤清器安装孔处剖面形状如图1c所示,高压油道周边铸件壁厚8~22 mm,而铸件主要壁厚3.5 mm,此区域壁厚尺寸过大而且壁厚不均,压铸成形后金属液在凝固过程中体积缩小,同时此区域属于填充末端,远离内浇道,无法实现较好的增压补缩,因此出现缩孔缺陷。

使用AnyCasting软件对下缸体凝固过程进行数值模拟,结果如图3a所示,铸件在图示区域出现孤立液相区,孤立液相区最终形成缩孔的概率很大,基于残留熔体模数法对缩孔概率分析的结果见图3b、c。铸件的其他部位承受压力下,分散的缩孔对铸件影响较小,而机油滤清器安装孔处有高压油道,内部的缩孔直接影响铸件的密封性。数值模拟结果与上述理论分析相符。

图3 凝固数值模拟

2.2.2 模具局部温度过高

观察铸件缺陷部位外观,发现在M20 mm孔与Φ54 mm尺寸中间的异形区域,外表面有不同程度的粘料,局部粘料的产生是模具温度过高的一种体现。使用红外线成像仪对模具温度进行监测,结果如图4所示,从中发现机油滤清器安装孔区域模具温度明显高于其他成形表面。由于下缸体的零件结构决定模具上分布大量的预铸孔型芯,这将影响模具的冷却水道的布置。同时铸件缺陷部位在动模镶块中属于局部凸起,压铸过程中被大量金属液包裹,铸件在凝固过程中大量热量无法通过模具快速散出,导致模具局部温度过高,这也是缩孔和粘料产生的原因。

图4 模具温度

3、解决铸件缩孔的模具优化设计

根据上述原因分析,针对压铸模采取以下两种措施解决机油滤清器安装孔区域的缩孔:①在不改变产品结构形状的基础上,将机油滤清器安装孔M20 mm由原来预铸孔型芯变更为局部挤压,在型腔内金属液冷却至液相线和固相线共存时通过液压缸对铸件局部进行增压补缩,以减少孤立液相区缩孔的产生;②加大模具在机油滤清器安装孔区域的冷却,采用分水盘结构改变局部冷却水的进出口位置,从而解决局部冷却不良导致的模具温度过高而产生铸件缩孔。模具的具体优化设计方案见图5。

图5 模具优化设计

3.1 采用局部挤压机构对铸件局部补缩

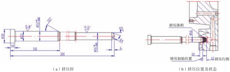
局部挤压是在模具内直接安装油缸,对产生缩孔的部位直接进行加压,抑制缩孔,以获得高质量的压铸件。下缸体局部挤压结构如图6所示,挤压套固定在动模镶块中,挤压缸固定在动模套板后端,挤压杆通过油缸联结头连接在油缸活塞杆上。挤压时油缸无杆腔进油活塞杆带动挤压杆向前运动,挤压型腔内金属液并直接形成铸件底孔。

局部挤压机构设计的关键是挤压体积,挤压体积过小,即挤入的金属液不足,无法达到补缩的作用;若挤压体积过大,则需要设计大直径的挤压缸,不仅造成浪费,而且在模具有限的空间内无法安装。挤压体积即为需要补缩的金属液体积,其大小取决于铸件局部成形体积,依据经验铝合金局部挤压的补缩体积比通常取5%~10%(预留补缩体积/铸件成形局部的体积)。经计算下缸体机油滤清器安装孔处局部体积约34 cm³ ,设计预留补缩体积V=34×7%=2.38 cm³。依据铸件结构,设计挤压杆直径d=16 mm,挤压杆结构图见图6a,依据挤压体积计算挤压行程L如下:

将上述数据代入式(1)得到L=12 mm。为使挤压时金属流动性更好、挤压影响范围更大,将挤压销前端设计成长度6 mm斜度20°的锥面,挤压初始位置挤压杆伸入型腔10 mm,挤压结束位置挤压杆伸入型腔22 mm,处于被挤压部分的中部,如图6b所示,这样可以使挤压范围更大,挤压补缩效果更好。

根据帕斯卡原理,在已知挤压杆直径和挤压压力的条件下,可以计算出挤压油缸的直径:

图6 局部挤压机构

式中:P挤 为挤压压力,一般取铸造压力的3倍以上,在下缸体中取400 MPa,F挤 为挤压杆面积(m㎡),P缸为压铸件系统压力16 MPa,F缸 为挤压油缸无杆腔面积(m㎡),d为挤压杆直径,D为挤压油缸直径。代入上式经计算挤压油缸直径D=80 mm。设计时考虑安全系数,最终挤压油缸直径取1.25D=100 mm。

3.2 采用分水盘结构加大局部冷却

压铸模具温度是影响压铸件质量的重要因素之一,为保证在连续生产过程中模具温度保持在合理的工作温度范围,常常采用水冷却的方式,对模具型腔进行冷却。通过在模具型腔内设置冷却水通道,通过冷却水循环带走模具内压铸合金产生的大量热量,使用成本低,效率高。冷却水道设计时要求布置在型腔内模具温度最高、热量比较集中区域,下缸体动模型腔M20 mm机油滤清器安装孔区域正是热量集中的区域,模具局部形状如图7a所示。由于M20 mm孔周边布置大量的型芯孔和推杆孔,无法设置横向循环的串联式冷却水道,因此型腔冷却采用垂直方向的喷管式独立冷却。参照图4模具温度图片,对应高温区域增加10处喷管,如图7b所示位置,对局部高温处进行冷却。根据动模型腔局部形状确定水道孔直径10 mm,深度距离前端成形处8 mm,喷管采用外径6 mm,内径4 mm的铜管。由于新增10处小喷管背面有挤压油缸,小喷管后端的进出水无法引出,无法实现单点独立的喷管冷却。为解决局部冷却水进出的问题,增加“分水盘”结构,如图7c所示,在分水盘加工出双层水道,将铜喷管固定在分水盘上,实现喷管a1-4的串联水通道和b1-6的串联水通道。在后端挤压缸不干涉的位置,加工出a组和b组的冷却水进出孔位置。

图7 分水盘结构的冷却水道设计

4、优化设计的验证

下缸体模具经过局部优化设计后,进行批量生产验证,铸件毛坯在机油滤清器安装孔区域的缩孔缺陷得到明显改善,产品经X光无损探伤和剖切断面检查,无明显的缩孔缺陷,优化后的铸件内部质量如图8所示。优化后的模具温度得到有效控制,开模后动模型腔热量集中部位温度控制在180~240 ℃,满足铝合金压铸的工作温度,铸件外观无明显粘料现象。由于铸件内外部质量得到有效提升,产品加工后进行密封测试,安装机油滤清器处的高压油道泄漏率由30%降低到2%以下。

图8 优化后的M20 mm孔区域内部质量

5、结论

(1)“鱼骨图”质量工具是对铸件缩孔缺陷进行分析的有效手段。
(2)采用局部挤压技术能够有效解决铝合金压铸件因局部壁厚过大而产生缩孔和缩松缺陷及高压油道泄漏问题。
(3)对铸件局部厚大、热量集中处需布置足够的冷却水道,利用分水盘结构可以改变冷却水道的进出口位置,避免与模具内其他结构发生干涉。

作者

侯丽彬 李晶 董淑婧
大连科技学院
本文来自:铸造杂志

回页顶部